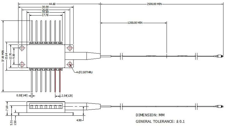
Η μονάδα Laser 1653,7 nm υψηλής ισχύος χρησιμοποιεί μια επίπεδη κατασκευή με τσιπ σε υποφέρον. Το υψηλό Το power chip είναι ερμητικά σφραγισμένο σε συσκευασία πεταλούδας 14 ακίδων χωρίς εποξειδικές και ροές και εφοδιασμένο με θερμίστορ, θερμοηλεκτρικό ψυγείο και δίοδος παρακολούθησης για εξασφάλιση υψηλής ποιότητας απόδοσης λέιζερ. Οι δίοδοι λέιζερ 1653nm 40mW BTF για ανίχνευση αερίου μεθανίου είναι πιστοποιημένες για την Telcordia GR-468 και συμμορφώνονται με τις οδηγίες RoHS.
Η μονάδα Laser 1653,7 nm υψηλής ισχύος χρησιμοποιεί μια επίπεδη κατασκευή με τσιπ σε υποφέρον. Το τσιπ υψηλής ισχύος είναι ερμητικά σφραγισμένο σε συσκευασία πεταλούδας 14 ακίδων χωρίς εποξειδικές και ροές και είναι εξοπλισμένο με θερμίστορ, θερμοηλεκτρικό ψυγείο και δίοδο παρακολούθησης για να εξασφαλίζει απόδοση λέιζερ υψηλής ποιότητας. Τα προϊόντα λέιζερ μας είναι πιστοποιημένα Telcordia GR-468 και συμμορφώνονται με τις οδηγίες RoHS.
● Βιομηχανικά πρότυπα συσκευασία πεταλούδας 14 ακίδων.
● Ενσωματωμένο TEC και οπτικός απομονωτής.
● Υψηλής απόδοσης, πολυκβαντικό φρεάτιο (MQW) κατανεμημένης ανάδρασης (DFB) λέιζερ.
● Δοκιμή παραγωγής παθητικών εξαρτημάτων για ανίχνευση αερίου.
● Σύστημα ανίχνευσης αερίων ινών.
● Πηγές λέιζερ.
| Παράμετρος | Σύμβολο | Κατάσταση | Ελάχ. | Τυπ. | Μέγ. | Μονάδα |
| Κεντρικό μήκος κύματος | λc | Tl = 15 ~ 35 ℃ qu | 1652.7 | 1653.7 | 1654.7 | nm |
| Οπτική ισχύς εξόδου | Μετά | CW | - | 40 | - | mW |
| Ρεύμα κατωφλίου LD | ITH | CW | - | 15 | 40 | mA |
| LD Μπροστινό ρεύμα | Αν | Pf = Ονομαστική ισχύς | - | 300 | 400 | mA |
| Οπτική μόνωση | - | -10 < TC < +70℃ | 30 | - | - | dB |
| Αναλογία καταστολής πλευρικής λειτουργίας | SMSR | CW | 35 | 40 | - | dB |
| Παρακολούθηση ανταπόκρισης | Εμβολιασμός | - | - | 1 | 20 | ήταν / mw |
| Παρακολουθήστε τη σταθερότητα απόκρισης | - | - | - | - | 20% | - |
| Παρακολούθηση σκοτεινού ρεύματος | Ταυτότητα | VPD =5V | - | - | 50 | nA |
| Ρεύμα TEC | ITEC | Tcase =75℃ | - | - | 2 | A |
| Τάση TEC | VTEC | Tcase =75℃ | - | - | 3.5 | V |
| Κατανάλωση ρεύματος TEC | P | Tstg =25℃ | - | - | 5 | W |
| Αντίσταση θερμίστορ | Rth | Tcase =75℃ | 9.5 | 10 | 10.5 | Kohm |
| Θερμίστορ Β σταθερά | Bth | Tstg =25℃ | - | 3900 | - | K |
| Μετατόπιση μήκους κύματος (EOL) | △λ | Δοκιμασμένο για 25 χρόνια ζωής | - | - | ±0,1 | nm |
| Κύμα. Συντελεστής θερμοκρασίας | Δλ/ΔT | Θερμοκρασία TEC στους 15℃ έως 35℃ | - | 0.09 | - | nm/℃ |
| Μήκος κύματος Συντελεστής ρεύματος | Δλ/ΔΙ | - | - | 0.01 | - | NM / in |

Όλα τα προϊόντα έχουν δοκιμαστεί πριν από την αποστολή.
Όλα τα προϊόντα έχουν 1 έτος εγγύηση. (Μετά την περίοδο εγγύησης ποιότητας άρχισε να χρεώνεται η κατάλληλη χρέωση συντήρησης.)
Εκτιμούμε την επιχείρησή σας και προσφέρουμε μια στιγμιαία πολιτική επιστροφής 7 ημερών. (7 ημέρες μετά την παραλαβή των αντικειμένων).
Εάν τα προϊόντα που αγοράζετε από το κατάστημά μας δεν είναι τέλειας ποιότητας, δηλαδή δεν λειτουργούν ηλεκτρονικά σύμφωνα με τις προδιαγραφές του κατασκευαστή, απλώς επιστρέψτε τα σε εμάς για αντικατάσταση ή επιστροφή χρημάτων.
Εάν τα στοιχεία είναι ελαττωματικά, ενημερώστε μας εντός 3 ημερών από την παράδοση.
Οποιαδήποτε αντικείμενα πρέπει να επιστραφούν στην αρχική τους κατάσταση για να πληρούν τις προϋποθέσεις για επιστροφή χρημάτων ή αντικατάσταση.
Ο αγοραστής είναι υπεύθυνος για όλα τα έξοδα αποστολής.
Ε: Ποια είναι η ακρίβεια του μήκους κύματος;
Α: +/-0,5 nm.
Ε: Έχετε άλλες εκδόσεις της ισχύος εξόδου;
Α: 10mW, 15mW, 50mW.
Ολοκληρωμένη διάταξη λέιζερ με δυνατότητα συντονισμού στενού εύρους γραμμής C ITLA
1550nm 40mW 200Khz στενού πλάτους γραμμής DFB Butterfly Diode Laser
1550nm 40mW 600Khz DFB Butterfly Package Δίοδος Λέιζερ στενού εύρους γραμμής
Δίοδος λέιζερ πεταλούδας DFB στενού πλάτους γραμμής 1550 nm 50 mW 100 Khz
Ομοαξονική δίοδος λέιζερ στενού εύρους γραμμής 1550nm 2mW 5mW
1550Nm 100MW 100kHz στενό διόδημα Laser DFB DFB BTF με ίνες SM/PMCopyright @ 2020 Shenzhen Box Optronics Technology Co., Ltd. - Μονάδες οπτικών ινών Κίνας, κατασκευαστές με λέιζερ που συζεύγονται από ίνες, Προμηθευτές Laser Components Serpiers All Rights Reserved.