Προϊόντα

1550nm 25db Οπτικός ενισχυτής ημιαγωγού SOA SOA
  • 1550nm 25db Οπτικός ενισχυτής ημιαγωγού SOA SOA 1550nm 25db Οπτικός ενισχυτής ημιαγωγού SOA SOA
  • 1550nm 25db Οπτικός ενισχυτής ημιαγωγού SOA SOA 1550nm 25db Οπτικός ενισχυτής ημιαγωγού SOA SOA
  • 1550nm 25db Οπτικός ενισχυτής ημιαγωγού SOA SOA 1550nm 25db Οπτικός ενισχυτής ημιαγωγού SOA SOA
  • 1550nm 25db Οπτικός ενισχυτής ημιαγωγού SOA SOA 1550nm 25db Οπτικός ενισχυτής ημιαγωγού SOA SOA

1550nm 25db Οπτικός ενισχυτής ημιαγωγού SOA SOA

Η σειρά προϊόντων οπτικού ενισχυτή 1550NM 25DB SOA SOA, χρησιμοποιείται κυρίως για την ενίσχυση του οπτικού σήματος και μπορεί να αυξήσει σημαντικά την οπτική ισχύ εξόδου. Τα προϊόντα διαθέτουν υψηλό κέρδος, χαμηλή ενέργεια Η κατανάλωση και η συντήρηση πόλωσης, μεταξύ άλλων χαρακτηριστικών, και είναι πλήρως επεξεργαστές με την εγχώρια ελεγχόμενη τεχνολογία.

Αποστολή Ερώτησης

περιγραφή προϊόντος

Η σειρά προϊόντων οπτικού ενισχυτή 1550NM 25DB SOA SOA, χρησιμοποιείται κυρίως για την ενίσχυση του οπτικού σήματος και μπορεί να αυξήσει σημαντικά την οπτική ισχύ εξόδου. Τα προϊόντα διαθέτουν υψηλό κέρδος, χαμηλή κατανάλωση ενέργειας και συντήρηση πόλωσης, μεταξύ άλλων χαρακτηριστικών και είναι πλήρως επεξεργαστές με την εγχώρια ελεγχόμενη τεχνολογία.


Χαρακτηριστικό

● 40g και 100g κλείστρου ή διαμόρφωσης μπάντας C-band.
● Πακέτο 14pin Butterfly.
● Σχήμα χαμηλού θορύβου και εξάρτηση χαμηλής πόλωσης.
● PM1550 Fiber με σύνδεση FC/APC.
● Αξιοπιστία: Telcordia GR-468. Rohs


Εφαρμογή

● Αποζημίωση απώλειας για οπτική σύνδεση ινών και διακόπτη
● Οπτικά δίκτυα οπτικών ινών WDM.
● MOPA (Master Oscilator Power Emplifier) Laser;


Ηλεκτρο-οπτικά χαρακτηριστικά (t = 25 ℃)

Παράμετρος Σύμβολο Κατάσταση Min. Τύπος. Μέγιστο. Μονάδα
Λειτουργικό μήκος κύματος κλέπτω 25 ℃, pin = 0dbm - 1550 - nm
Μήκος κύματος ASE αφήνω 25 ℃, αν = 1000mA - 1490 - nm
-3DB κέρδος εύρους ζώνης ΔL Pin = -10dbm, αν = 1000mA - 100 - nm
Οπτική ισχύς κορεσμού PMAX Αν = 1000mA,
Pin = 5dbm@1550nm
- 23 - DBM
Μικρό κέρδος σήματος SSG Αν = 1000mA,
Pin = -25dbm@1550nm
30 35 - ϋΒ
Ρεύμα λειτουργίας ΑΝ - - 1000 1200 α
Προωθητική τάση VF - - 2.4 2.6 V
Σχήμα θορύβου Nf 25 ℃, αν = 1000ma, @1550nm - 6 8 ϋΒ
Σχεδίαση εξαφάνισης τερματισμού Είναι If = 1000mA/if = 0ma,
Pin = 0dbm
- 35 - ϋΒ
Ρεύμα TEC ΛΕΚ - - - 1.8 A
Τάση TEC VTEC - - 400 3.4 V
Επαναφορά θερμίστορ Rtherm T = 25 ℃ 9.5 10 10.5
Θερμίστορ ρεύμα λιμνοθάλασσας - 2 - 5 α
Συνολική ισχύς P - - - 4 w
Θερμοκρασία θήκης λειτουργίας ΚΟΡΥΦΗ I = εάν 10 - 70
Θερμοκρασία αποθήκευσης Τσιφούνι - -40 - 85


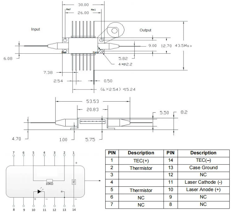
Σχέδιο πακέτου και ορισμός pin-out (Μονάδα: mm):

1550nm 25db Soa Semiconductor Optical Amplifier


Τυπική χαρακτηριστική καμπύλη

1550nm 25db Soa Semiconductor Optical Amplifier

1550nm 25db Soa Semiconductor Optical Amplifier


Παραδίδουν, αποστολές και εξυπηρέτηση

Όλα τα προϊόντα έχουν δοκιμαστεί πριν από την αποστολή.

Όλα τα προϊόντα έχουν εγγύηση 1 ετών. (Μετά την περίοδο εγγύησης ποιότητας άρχισε να χρεώνει κατάλληλη αμοιβή υπηρεσίας συντήρησης.)

Εκτιμούμε την επιχείρησή σας και προσφέρουμε μια στιγμιαία πολιτική επιστροφής 7 ημερών. (7 ημέρες μετά τη λήψη των στοιχείων) ·

Εάν τα αντικείμενα που αγοράζετε από το κατάστημά μας δεν έχουν τελειοποιημένη ποιότητα, δηλαδή δεν εργάζονται ηλεκτρονικά με τις προδιαγραφές των κατασκευαστών, απλά τα επιστρέψτε σε εμάς για αντικατάσταση ή επιστροφή χρημάτων.

Εάν τα στοιχεία είναι ελαττωματικά, ενημερώστε μας εντός 3 ημερών από την παράδοση.

Οποιαδήποτε αντικείμενα πρέπει να επιστραφούν στην αρχική τους κατάσταση για να πληρούν τις προϋποθέσεις για επιστροφή χρημάτων ή αντικατάσταση.

Ο αγοραστής είναι υπεύθυνος για όλο το κόστος αποστολής.


1550nm 25db Soa Semiconductor Optical Amplifier


Συχνές ερωτήσεις

Ε: Ποιο είναι το μήκος κύματος που χρειάζεστε;

Α: Έχουμε 1550nm 1310nm 1270nm 1060nm Δίοδοι λέιζερ SOA.


Ε: Ποια είναι η απαίτηση για την ισχύ εξόδου;

A: Το Optronics του κουτιού μπορεί να προσαρμόσει σύμφωνα με τις απαιτήσεις σας.


Hot Tags: 1550nm 25db Οπτικός ενισχυτής ημιαγωγών SOA, κατασκευαστές, προμηθευτές, χονδρική, εργοστασιακή, προσαρμοσμένη, όγκος, Κίνα, κατασκευασμένη στην Κίνα, φθηνή, χαμηλή τιμή, ποιότητα

Σχετική Κατηγορία

Αποστολή Ερώτησης

Μη διστάσετε να δώσετε το ερώτημά σας στην παρακάτω φόρμα. Θα σας απαντήσουμε σε 24 ώρες.
X
Χρησιμοποιούμε cookies για να σας προσφέρουμε καλύτερη εμπειρία περιήγησης, να αναλύσουμε την επισκεψιμότητα του ιστότοπου και να εξατομικεύσουμε το περιεχόμενο. Χρησιμοποιώντας αυτόν τον ιστότοπο, συμφωνείτε με τη χρήση των cookies από εμάς. Πολιτική Απορρήτου
Απορρίπτω Αποδέχομαι